Каталог запчастей для тракторов ММЗ БЕЛАРУС -1523.4
Установка сцепления 260.1-1005009 (1601)
Корпус сцепления (2022-1600010-А-01) (с КП 24х12)
Коробка переда 1522-1700010 (1701)
Механизм управления коробкой передач (1702)
Коробка передач 1222-1700010 (24F+12R) (1701)
Вал пониженных передач и заднего хода (1701)
Мexанизм управления коробкой передач (1702)
Главная передача переднего ведущего моста (1222-2300020-05) (2302)
Редуктор конечной передачи переднего ведущего моста (1222-2300020-05) (2308)
Корпус заднего моста. Конечная передача (2401, 2407)
Дифференциал. Стакан подшипников (2403, 2407)
Система смазки заднего моста (вариант 1) (2401)
Система смазки заднего моста (вариант 2) (2401)
Управление тормозами. Бачки тормозной жидкости (3503)
Управление «мокрыми» тормозами (вариант 1) (3503)
Управление «мокрыми» тормозами (вариант 2) (3503)
Управление стояночным тормозом («мокрым») (3503)
Трубопроводы и арматура пневмопривода тормозов прицепа (3506)
Электрооборудование по дизелю (3700)
Электрооборудование по трансмиссии (3700)
Электрооборудование по кабине I (3700)
Электрооборудование по кабине II (3700)
Передний вал отбора мощности (4209)
Редуктор переднего вала отбора мощности (4209)
Узлы и элементы навесного устройства (4605)
Переднее навесное устройство (4606)
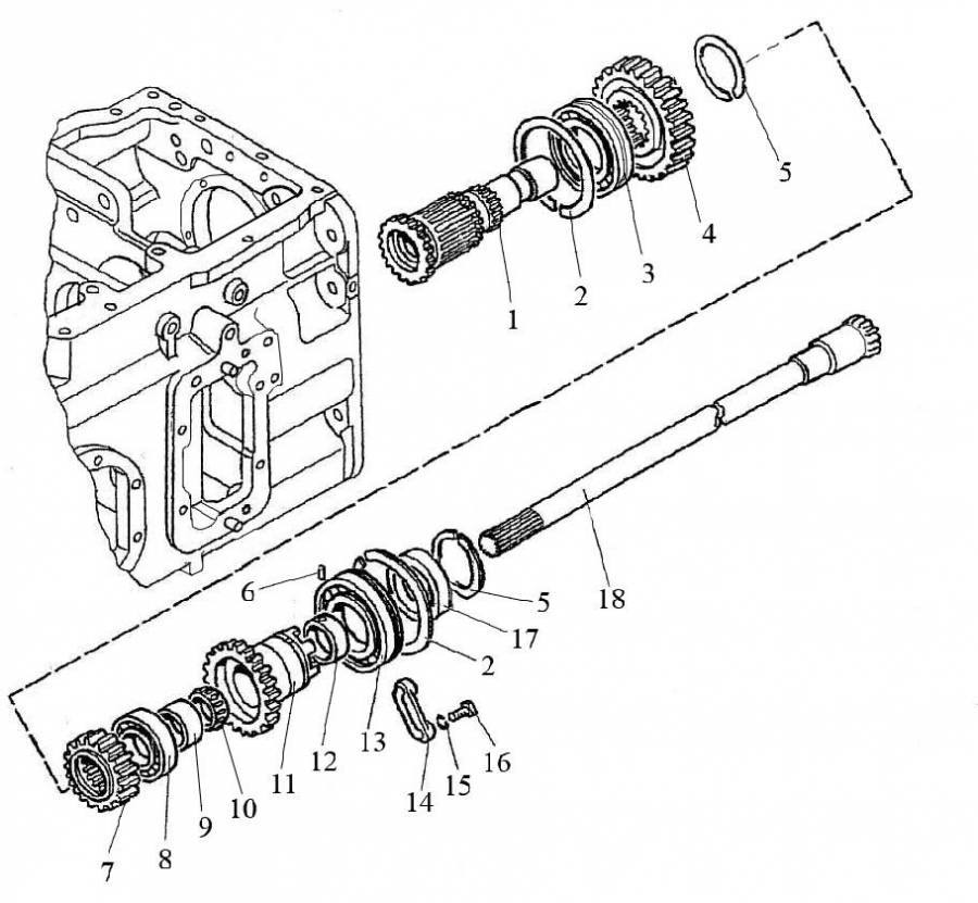
Вал блока шестерен (1701)
|
№ поз. |
Артикул |
Кол-во |
Наименование |
|
112-1701200 |
1 |
Шестерня (2,5,6,8,9,11-13,17) |
|
|
112-1701230 |
1 |
Шестерня (6,11,12) |
|
|
1 |
80-1701240 |
1 |
Вал |
|
2 |
80-1701206 |
2 |
Кольцо |
|
3 |
692215K1M |
1 |
Подшипник |
|
4 |
1525-1701221 |
1 |
Шестерня |
|
5 |
2C75 |
2 |
Кольцо |
|
6 |
2,4x8 |
1 |
Штифт |
|
7 |
1222-1701224 |
1 |
Шестерня |
|
8 |
42210M |
1 |
Подшипник |
|
9 |
80-1701203 |
1 |
Втулка |
|
10 |
864710E |
1 |
Подшипник |
|
11 |
112-1701202 |
1 |
Шестерня |
|
12 |
80-1701201 |
1 |
Втулка |
|
13 |
50215A |
1 |
Подшипник |
|
14 |
80-1701205 |
2 |
Планка |
|
15 |
ШП10 |
4 |
Шайба |
|
16 |
М10х30 |
4 |
Болт |
|
17 |
80-1701207-01 |
1 |
Втулка |
|
18 |
1522-1701160 |
1 |
Вал |
Рейтинг компании ООО «Агроснабпоставка Плюс»: 4.8 (Голосов: 237)★★★★★

