Каталог запчастей для тракторов ММЗ БЕЛАРУС -1523.4
Установка сцепления 260.1-1005009 (1601)
Корпус сцепления (2022-1600010-А-01) (с КП 24х12)
Коробка переда 1522-1700010 (1701)
Механизм управления коробкой передач (1702)
Коробка передач 1222-1700010 (24F+12R) (1701)
Вал пониженных передач и заднего хода (1701)
Мexанизм управления коробкой передач (1702)
Главная передача переднего ведущего моста (1222-2300020-05) (2302)
Редуктор конечной передачи переднего ведущего моста (1222-2300020-05) (2308)
Корпус заднего моста. Конечная передача (2401, 2407)
Дифференциал. Стакан подшипников (2403, 2407)
Система смазки заднего моста (вариант 1) (2401)
Система смазки заднего моста (вариант 2) (2401)
Управление тормозами. Бачки тормозной жидкости (3503)
Управление «мокрыми» тормозами (вариант 1) (3503)
Управление «мокрыми» тормозами (вариант 2) (3503)
Управление стояночным тормозом («мокрым») (3503)
Трубопроводы и арматура пневмопривода тормозов прицепа (3506)
Электрооборудование по дизелю (3700)
Электрооборудование по трансмиссии (3700)
Электрооборудование по кабине I (3700)
Электрооборудование по кабине II (3700)
Передний вал отбора мощности (4209)
Редуктор переднего вала отбора мощности (4209)
Узлы и элементы навесного устройства (4605)
Переднее навесное устройство (4606)
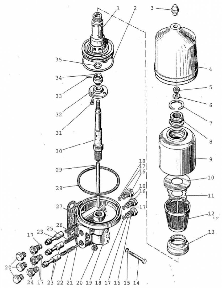
Фильтр-распределитель (1737)
|
№ поз. |
Артикул |
Кол-во |
Наименование |
|
|
80-1737110 |
1 |
Фильтр-распределитель (1-13. 16-35) |
|
|
80-1028020 |
1 |
Ротор с осью (1,2,5-13,29-35) |
|
|
240-1404030-A |
1 |
Стакан ротора (7-9) |
|
|
80-1028080 |
1 |
Ось ротора (29.30, 32-35) |
|
1 |
240-1404017-Б |
1 |
Корпус ротора |
|
2 |
115-120-30-2-1 |
1 |
Кольцо |
|
3 |
240-1404088 |
1 |
Гайка колпака |
|
4 |
240-1404027 |
1 |
Колпакфильтра |
|
5 |
М12Х1,25 |
1 |
Гайка |
|
6 |
Д37А-1407607-В |
1 |
Шайба упорная |
|
7 |
240-1404033 |
1 |
Кольцо упорное |
|
8 |
240-1404035-A |
1 |
Гайка специальная |
|
9 |
240-1404023 |
1 |
Стакан ротора |
|
10 |
240-1404113 |
1 |
Крышка |
|
11 |
240-1404024 |
1 |
Крыльчатка ротора |
|
12 |
240-1404110 |
1 |
Сетка фильтрующая |
|
13 |
240-1404049 |
1 |
Стакан внутренний |
|
14 |
M10x70 |
4 |
Болт |
|
15 |
ШП 10 |
4 |
Шайба |
|
16 |
50-1404075 |
3 |
Пробка клапана |
|
17 |
1221-1737126 |
6 |
Прокладка клапана |
|
18 |
ШЧ5* |
6 max |
Шайба |
|
19 |
80-1737111 |
1 |
Корпус |
|
20 |
КГ 1/8" |
4 |
Пробка |
|
21 |
6h 11x45 |
1 |
Штифт |
|
22 |
70-4801045 |
1 |
Пружина |
|
23 |
80-1737117 |
3 |
Клапан |
|
24 |
1221-1737114 |
3 |
Пробка |
*по потребности
Рейтинг компании ООО «Агроснабпоставка Плюс»: 4.8 (Голосов: 237)★★★★★

