Каталог запчастей тракторов МТЗ БЕЛАРУС-1025/1025.2/1025.3
Блок цилиндров. Установка передней опоры (Д-245/Д-245С) (1001, 1002)
Блок цилиндров. Установка передней опоры (Д-245С2) (1001, 1002)
Установка головки цилиндров и впускного тракта (Д-245-26/Д-245С214)
Установка головки цилиндров и впускного тракта (Д-245С2) (1003,1007)
Поршни и шатуны. Коленчатый вал и маховик (Д-245/Д-245С) (1004,1005)
Поршни и шатуны. Коленчатый вал и маховик (Д-245С2) (1004,1005)
Распределительный механизм (Д-245/Д-245С/Д-245С2) (1007)
Система впуска и выпуска (Д-245/Д-245С) (1008)
Система впуска и выпуска (Д-245С2) (1008)
Маслопроводы турбокомпрессора (Д-245) (1118)
Маслопроводы турбокомпрессора (Д-245С) (1118)
Маслопроводы турбокомпрессора (Д-245С2) (1118)
Привод насоса рулевого управления (Д-245/Д-245С/Д-245С2) (1022)
Бак топливный (в комплектации трактора с гидроподъемником) (1101)
Топливные трубопроводы и установка топливной аппаратуры (Д-245-26/Д-245С-214) (1104, 1111)
Топливные трубопроводы и установка топливной аппаратуры (Д-245С2) (1104, 1111)
Фильтр топливный грубой очистки (Д-245/Д-245С/Д-245С2) (1105)
Фильтр топливный тонкой очистки (Д-245/Д-245С/Д-245С2) (1117)
Управление подачей топлива (1108)
Управление подачей топлива (с гидроподъемником) (1108)
Радиатор водяной (Д-245/Д-245С) (1301)
Блок охлаждения (для Д-245С2) (1301)
Установка термостата (Д-245/Д-245С) (1306)
Установка водяного насоса. Установка вентилятора (Д-245/Д-245С) (1307, 1308)
Установка водяного насоса. Установка вентилятора (Д-245С2) (1307, 1308)
Установка масляного картера (Д-245/Д-245С/Д-245С2) (1009, 1401)
Установка масляного насоса. Установка приемника масляного насоса. (Д-245/Д-245С/Д-245С2) (1403)
Установка масляного фильтра с жидкостно-масляным теплообменником (Д-245/Д-245С/Д-245С2) (1404)
Передний ведущий мост 72-2300020-А (2300)
Передний ведущий мост 822-2300020 (2300)
Главная передача переднего ведущего моста переднего ведущего моста (2302)
Редуктор конечной передачи переднего ведущего моста (для ПВМ 72-2300020-А) (2308)
Редуктор конечной передачи переднего ведущего моста (для ПВМ 822-2300020) (2308)
Корпус заднего моста. Дифференциал. Конечная передача (2401, 2403, 2407)
Механизм блокировки дифференциала (2409)
Устройство прицепное. Вариант «крюк» (по заказу) (2707)
Устройство прицепное. Вариант «маятник или прицеп» (2707)
Управление рулевое (с ПВМ 822-2300020) (3407)
Управление рулевое (с ПВМ 72-2300020-А) (3407)
Управление рулевое с ПВМ 822-2300020-04 и отдельным баком (3407)
Тормоза. Управление тормозами (3502, 3503)
Тормоза (вариант исполнения) (3502)
Тормоза «мокрые» (левый/правый) (3502)
Тормоз стояночно-запасной. Управление стояночно-запасным тормозом (3504, 3507)
Пневмопривод (исполнение с двумя балонами) (3506)
Электрооборудование по дизелю (3700)
Электрооборудование по дизелю II (3700)
Электрооборудование трансмиссии (3700)
Электрооборудование по кабине (3700)
Установка батарей аккумуляторных (система запуска 12В) (3703)
Установка батарей аккумуляторных (система запуска 24В) (3703)
Установка батарей аккумуляторных (3703)
Подогреватель электрофакельный (3707)
Установка фонарей передних I (3712)
Вал отбора мощности задний (4202)
Вал отбора мощности задний 1221-4202010-А (4202)
Механизм задней навески (4605)
Механизм задней навески (по заказу) (4605)
Механизм задней навески (с гидроподъемником) (4605)
Наружная блокировка нижних тяг (4605)
Гидросистема М1221-4600010 (4607)
Корпус гидросистемы М1221-4600015 (4607)
Гидросистема Р1221-4600010 (4607)
Корпус гидросистемы Р1221-4600015 (4607)
Гидросистема 85-4600010 (4607)
Управление гидрораспределителем RS 213 Mita, RS 213 Belarus, РП 70 (4607)
Управление гидрораспределителем Р80 (4607)
Корпус гидросистемы и фильтр (4607)
Гидрораспределитель Р80-3/4-222-ЗГг
Цилиндр гидроподъемника (4625)
Распределитель гидроподъемника (4634)
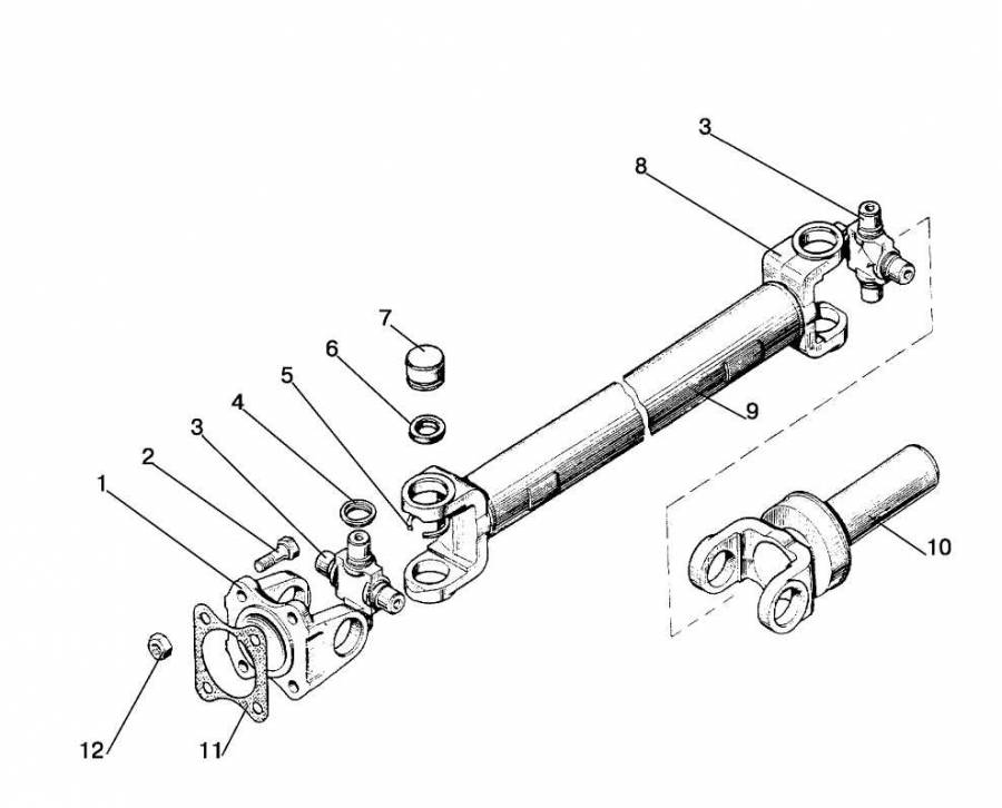
Вал карданный (2203)
| № поз. | Артикул | Кол-во | Наименование |
| 86-2203010-Б | 1 | Вал карданный (1,3-10) | |
| 72-2203025PH | 1 | Крестовина с подшипниками (3, 4, 6, 7) | |
| 1 | 72-2201023 | 1 | Фланец |
| 2 | 52-2203012 | 4 | Болт |
| 3 | 72-2203030-01 | 2 | Крестовина |
| 4 | 3102-2201037 | 8 | Отражатель |
| 5 | 72-2203043 | 8 | Кольцо стопорное |
| 6 | 69-2201031-A | 8 | Манжета |
| 7 | 8 | Подшипник 704702К3С10 ТУ ВНИПП.065-99 | |
| 8 | 72-2203022 | 2 | Вилка |
| 9 | 86-2203018-02 | 1 | Труба |
| 10 | 86-2203047 | 1 | Вилка скользящая |
| 11 | 20-2201024 | 1 | Прокладка |
| 12 | 4 | Гайка М10х1-8 DIN EN ISO 10511-98 |
Рейтинг компании ООО «Агроснабпоставка Плюс»: 4.8 (Голосов: 237)★★★★★

