Каталог запчастей для тракторов МТЗ БЕЛАРУС-900/920/950/952
Баки топливные (металлические) (1101)
Баки топливные (пластмассовые) (1101)
Бак топливный (в комплектации трактора с гидроподъемником) (1101)
Управление подачей топлива (1108)
Управление подачей топлива (с гидроподъемником) (1108)
Управление подачей топлива (с управлением гидронавесной системой типа «Joystick») (1108)
Установка воздухоочистителя «Donaldson» (Д-245.5S2/Д-245.43S2) (1109)
Блок охлаждения (для Беларус – 900/900.2/920./920.2/950./950.2/952/952.2) (1301)
Блок охлаждения (для Д-245.582/Д-245.4382) (1301)
Охладитель надувочного воздуха (Д-245.5S2/Д-245.43S2) (1317)
Корпус сцепления. Отводка (1601)
Корпус сцепления (привод ВОМ, привод насоса гидросистемы навески) (1601)
Механический понижающий редуктор/ механический ускоритель (1721)
Синхронизированный понижающий редуктор/ синхронизированный ускоритель (1721)
Управлением редуктором/ускорителем (1723)
Синхронизированный реверс - редуктор (1721)
Управление синхронизированным реверс - редуктор (1723)
Вал первичный и вал вторичный механической КП (1701)
Первичный вал синхронизированной КП (1701)
Вторичный вал синхронизированной КП (1701)
Вал 1-ой передачи и передачи заднего хода (1701)
Вал промежуточный. Вал внутренний (1701)
Механизм управления механической КП. Корпус вилок (1702)
Механизм управления синхронизированной КП. Корпус вилок (1702)
Раздаточная коробка (для Беларус – 920/920.2/920.3/952/952.2/952.3) (1802)
Управление раздаточной коробкой (для однорычажной КПП) (1802)
Управление раздаточной коробкой (для двухрычажной КПП) (1802)
Передний ведущий мост 72-2300020-А (2300)
Передний ведущий мост 822-2300020 (2300)
Главная передача переднего ведущего моста (2302)
Редуктор конечной передачи переднего ведущего моста (для ПВМ 72-2300020-А) (2308)
Редуктор конечной передачи переднего ведущего моста (для ПВМ 822-2300020) (2308)
Корпус заднего моста. Конечная передача (2401, 2407)
Дифференциал. Стакан подшипников (2403)
Устройство прицепное. Вариант «крюк» (по заказу) (2707)
Устройство прицепное. Вариант «маятник или прицеп» (2707)
Колеса передние направляющие. Ступицы передних колес. (Для тракторов с передней осью) (3101, 3103)
Колеса передние ведущие (3101)
Колеса передние ведущие II (3101)
Колеса передние ведущие III (3101)
Диск МТЗ задний. Колеса задние. Ступицы задних колес (3104, 3107)
Арматура рулевого управления (3407)
Гидроцилиндр и арматура ГОРУ (вариант с передней осью) (3405, 3407)
Гидроцилиндр и арматура ГОРУ (ПВМ 72-2300020-A-04) (3405, 3407)
Гидроцилиндр Ц63 и арматура ГОРУ (ПВМ 822-2300020-02/-04) (3405, 3407)
Гидроцилиндр Ц63 (63x30-200) (3405)
Управление рулевое с ПВМ 822-2300020-04 и отдельным баком (3407)
Управление тормозами (сухого трения) (3502, 3503)
Тормоза (вариант исполнения) (3502)
Тормоза «мокрые» (левый/правый) (3502)
Управление «мокрыми» тормозами (3503)
Тормоз стояночный. Управление стояночным тормозом (3504, 3507)
Тормоз стояночный. Управление стояночным тормозом (для «мокрых» тормозов) (3504, 3507)
Трубопроводы и арматура однопроводного пневмопривода тормозов прицепа (3506)
Трубопроводы и арматура двухпроводного пневмопривода тормозов прицепа (3506)
Кран тормозной (для однопроводного пневмопривода) (3514)
Установка заглушки (для тракторов без пневмокомпрессора) (3509)
Электрооборудование по дизелю (3709, 3710)
Электрооборудование по дизелю (для тракторов Беларус - 900.3/920.3/950.3/952.3) (3709, 3710)
Электрооборудование трансмиссии (3700)
Электрооборудование по кабине (3700)
Установка батарей аккумуляторных (система запуска 12В) (3703)
Установка батарей аккумуляторных (система запуска 24В) (3703)
Установка батарей аккумуляторных (3703)
Подогреватель электрофакельный (3707)
Установка фонарей передних I (3712)
Вал отбора мощности задний I (4202)
Вал отбора мощности задний II (4202)
Вал отбора мощности боковой (4204)
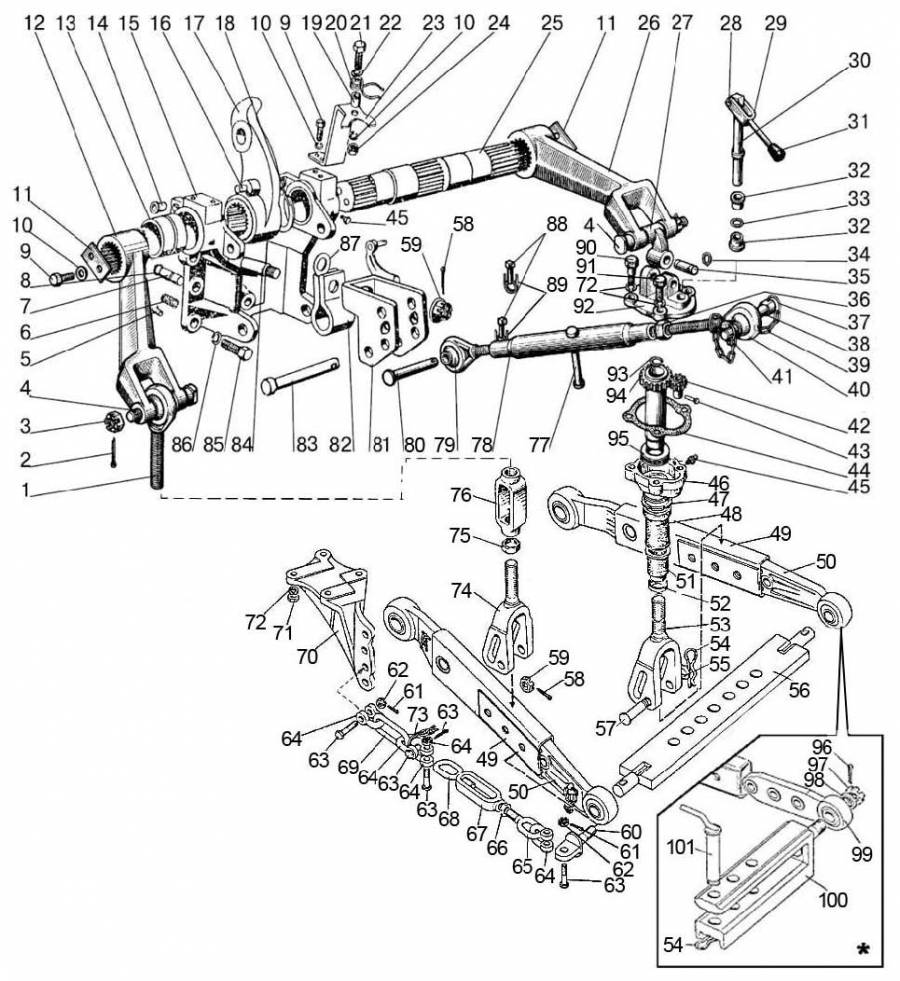
Механизм задней навески (для тракторов с силовым регулятором) (4605)
Механизм задней навески (для тракторов с силовым регулятором) II (4605)
Механизм задней навески (с гидроподъемником) (4605)
Наружная блокировка нижних тяг (4605)
Гидросистема Р85-4600015 (4607)
Гидросистема Р90-4600010 (4607)
Гидросистема Р1221-4600010 (4607)
Корпус гидросистемы Р1221-4600010 (4607)
Гидросистема 80-4600010-Б (4607)
Гидроагрегаты и арматура (с силовым регулятором) (4607)
Гидроагрегаты и арматура (с гидроподъемником и распределителем RS 213 MITA) (4607)
Гидроагрегаты и арматура (с гидроподъемником) (4607)
Корпус гидросистемы и фильтр (4607)
Гидрораспределитель Р80-3/4-222-З Гг
Управление гидрораспределителем Р80
Управление гидрораспределителем RS 213 Mita, RS 213 Belarus, РП 70 (4607)
Управление регулятором (ГНС со смешанным регулированием) (4616)
Переключатель (ГНС со смешанным регулированием) (4616)
Цилиндр гидроподъемника (4635)
Распределитель гидроподъемника (4634)
Механизм задней навески (для тракторов с силовым регулятором) II (4605)
| № поз. | Артикул | Кол-во | Наименование |
| Р80-4605010 | 1 | Механизм задней навески (1-101) | |
| 1220-4605012 | 2 | Раскос (1,74-76) | |
|
1220-4605030-01 b=38 1220-4605030-03 b=45 |
1 | Тяга (49,50,58-60) | |
|
1220-4605030-02 b=38 1220-4605030-04 b=45 |
1 | Тяга с цепочкой (49,50,58-60,73) | |
| 1220-4605150 | 1 | Раскос (27-48,51-53,72,90-92) L=515 мм | |
| 1220-4605580 | 2 | Стяжка (65-68) | |
| 70-4605145-01 | 1 | Кронштейн (9,10,17-22) | |
| 70-4605340 | 1 | Рычаг (16,17) | |
| 822-4605085 | 1 | Поперечина (54,96-101) | |
| А61.05.100-01 | 1 | Чека (39, 41) | |
| А61.03.000 | 1 | Тяга верхняя (36-41, 77-79) | |
| А61.03.200 | 1 | Винт (37-41, палец А61.03.001-02 Ø 22) | |
| А61.03.200-01 | 1 | Винт (37-41, палец А61.03.001-01 Ø 25) | |
| 1 | 1220-4605075 | 1 | Винт |
| 2 | 4x36.019 ГОСТ 397-79 | 1 | Шплинт |
| 3 | М20х1,5-6Н.04.019 ГОСТ 5919-73 | 2 | Гайка |
| 4 | 142-4605076 | 2 | Палец |
| 5 | 70-4605317 | 2 | Ограничитель |
| 6 | 21А-1601150 | 4 | Пружина |
| 7 | 50-4605027 | 2 | Штифт |
| 8 | 54.38.619 | 2 | Кольцо |
| 9 | M12-6gx25.88.35.019 ГОСТ 7796-70 | 6 | Болт |
| 10 | 12 ОТ ОСТ 37.001.115-75 | 7 | Шайба |
| 11 | 40-4605023-А2 | 2 | Шайба |
| 12 | 80-4605021-01 | 1 | Рычаг |
| 13 | 70-4605032 | 2 | Втулка |
| 14 | 70-4605308-Б | 2 | Втулка |
| 15 | 70-4605016-Б | 1 | Кронштейн |
| 16 | 70-4605313 | 1 | Палец |
| 17 | 70-4605024-А | 1 | Рычаг поворотный |
| 18 | 2С65 ГОСТ 13940-86 | 1 | Кольцо |
| 19 | 50-4605069 | 1 | Втулка |
| 20 | А61.07.002 | 1 | Пружина |
| 21 | M12-6gx35.88.35.019 ГОСТ 7796-70 | 1 | Болт |
| 22 | С 12.01.019 ГОСТ 11371-78 | 1 | Шайба |
| 23 | 70-4605240-А | 1 | Кронштейн |
| 24 | М12-6Н.6.019 ГОСТ 5915-70 | 1 | Гайка |
| 25 | 70-4605023 | 1 | Вал поворотный |
| 26 | 80-4605022-01 | 1 | Рычаг |
| 27 | 1220-4605168-Б | 1 | Серьга |
| 28 | А61.01.016-Б | 1 | Ось |
| 29 | А61.01.400 | 1 | Вилка |
| 30 | А61.01.600 | 1 | Вал |
| 31 | А61.01.014 | 1 | Рукоятка |
| 32 | А61.01.017 | 2 | Втулка |
| 33 | 016-021-30-2-4 ГОСТ 18829-73/9833-72 | 1 | Кольцо |
| 34 | 142-4605431 | 2 | Кольцо |
| 35 | 142-4605404-Б | 1 | Палец |
| 36 | А61.02.003 | 1 | Контргайка |
| 37 | А61.03.002 | 2 | Кольцо |
| 38 | А61.03.001-01 | 1 | Палец Ø 25 |
| А61.03.001-02 | 1 | Палец Ø 22 ( по заказу) | |
| 39 | А61.08.001-01 | 1 | Цепочка (9 звеньев) |
| 40 | А61.02.100-04 | 1 | Винт (отверстие шарнира Ø 22,5) |
| А61.02.100-05 | 1 | Винт (отверстие шарнира Ø 25,7) | |
| 41 | А61.05.000 | 1 | Чека с кольцом |
| 42 | 142-4605413 | 1 | Шестерня |
| 43 | А61.01.005 | 1 | Ось |
| 44 | 142-4605421 | 1 | Прокладка |
| 45 | 1.3.Ц9.хр ГОСТ 19853-74 | Масленка | |
| 46 | 142-4605415 | 1 | Корпус |
| 47 | 142-4605402 | 1 | Втулка |
| 48 | 142-4605407 | 1 | Труба |
| 49 |
1220-4605050 или 1220-4605050-01 |
2 |
Тяга Тяга (с цепочкой) |
| 50 |
1220-4605040 или 1220-4605040-02 |
2 |
Тяга (шарнир Ь=38мм) Тяга (шарнир Ь=45мм) |
| 51 | 142-4605406 | 1 | Колпак |
| 52 | 142-4605401 | 1 | Ограничитель |
| 53 | 1220-4605100 | 1 | Вилка |
| 54 | А61.07.001 | 3 | Шплинт |
| 55 | 50-3503071 | 2 | Шайба |
| 56 | 1220-4605025 | 1 | Поперечина |
| 57 | 1220-4605084 | 2 | Палец |
| 58 | 5x36.019 ГОСТ 397-79 | 2 | Шплинт |
| 59 | 70-4605316 | 2 | Гайка |
| 60 | 1220-4605108-01 | 2 | Проушина |
| 61 | 3,2x18.019 ГОСТ 397-79 | 8 | Шплинт |
| 62 | М12-6Н.04.019 ГОСТ 5919-73 | 8 | Гайка |
| 63 | 50-4605086 | 8 | Болт |
| 64 | А61.09.002 | 8 | Серьга |
| 65 | 1220-4605058 | 2 | Винт (М20) |
| 66 | М20-6Н.6.019 ГОСТ 5915-70 | 2 | Гайка |
| 67 | А61.04.003-01 | 2 | Стяжка |
| 68 | 1220-4605058-01 | 2 | Винт (М20 - левая резьба) |
| 69 | 40-4605098 | 2 | Кольцо |
| 70 | 80-4605091 80-4605091-01 | 1 | Кронштейн правый Кронштейн левый |
| 71 | М16х1,5-6Н.6.019 ГОСТ 5915-70 | 16 | Гайка |
| 72 | 16 ОТ ОСТ 37.001.115-75 | 12 | Шайба |
| 73 | Н50-4605060 | 1 | Цепочка с кольцом |
| 74 | 1220-4605200 | 1 | Вилка |
| 75 | 142-4605424 | 1 | Контргайка |
| 76 | 142-4605422 | 1 | Стяжка |
| 77 | А61.03.102 | 1 | Рукоятка |
| 78 | А61.03.101 | 1 | Труба |
| 79 | А61.02.100-02 | 1 | Винт (левая резьба) |
| 80 | А61.10.001-02 | 1 | Палец |
| 81 | 70-4605330-Б | 1 | Серьга |
| 82 | 70-4605302-Б | 1 | Пружина |
| 83 | А61.10.001 | 1 | Палец |
| 84 | 70-4605320 | 1 | Болт |
| 85 | 70-4605036 | 5 | Болт |
| 86 | 20 ОТ ОСТ 37.001.115-75 | 5 | Шайба |
| 87 | 70-4605304-Б | 1 | Шайба |
| 88 | А61.05.005 | 2 | Чека |
| 89 | А61.05.004 | 2 | Кольцо |
| 90 | 142-4605408 | 2 | Болт |
| 91 | М16-6gх40.88.35.019 ГОСТ 7796-70 | 2 | Болт |
| 92 | 142-4605418-Б | 1 | Крышка |
| 93 | 142-4605403 | 1 | Ограничитель |
| 94 | 142-4605425 | 1 | Труба |
| 95 | 8210 ГОСТ 7872-89 | 1 | Подшипник |
| 96 | 5x45.019 ГОСТ 397-79 | 2 | Шплинт |
| 97 | А04.02.020 | 2 | Гайка |
| 98 | 80-4605068 | 2 | Шайба |
| 99 | 822-4605060 | 2 | Наконечник |
| 100 | 822-4605065 | 1 | Поперечина |
| 101 | 822-4605070 | 1 | Шкворень |
Рейтинг компании ООО «Агроснабпоставка Плюс»: 4.8 (Голосов: 237)★★★★★

