МТЗ 2022.3 / 2022В.3 каталог запчастей тракторов БЕЛАРУС
Корпус сцепления (2022-1600010-А) (1601)
Управление сцеплением на переднем ходу (1602)
Управление сцеплением на реверсе (1602)
Цилиндр рабочий 1523-1602550-01 (1602)
Коробка передач 2022-1700010 (1701)
Вал пониженных передач и заднего хода (1701)
Корпус заднего моста. Передача конечная. Механизм отключения привода независимого ВОМ (4201, 2407)
Цилиндр рабочий 822-1602550-Б-01 (3503)
Управление тормозами на реверсе (3503)
Управление стояночным тормозом (3507)
Трубопроводы и арматура пневмопривода тормозов прицепа (3506)
Электрооборудование по дизелю (3700)
Электрооборудование трансмиссии (3700)
Электрооборудование кабины (3700)
Установка фонарей передних (3700)
Установка фонарей задних (3723)
Узлы и элементы навесного устройства (4605)
Захват «Walterscheid» 2кат (4606)
Захват «Walterscheid» 3кат (4605)
Захват 2522-4605300/-01 «МТЗ» 3кат (4605)
Шарниры и переходные элементы (4605)
Устройство навесное переднее (4606)
Установка устройства навесного переднего (4606)
Гидроагрегаты и арматура (4607)
Гидроагрегаты и арматура II (4607)
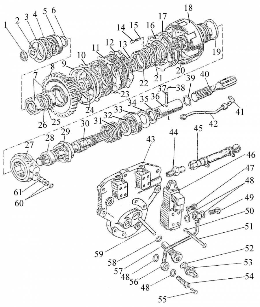
Привод переднего ведущего моста (1802)

№ поз. |
Артикул |
Кол-во |
Наименование |
2022-1802030 |
1 |
Фрикцион (2022-1802040,9-24, 27) |
|
2022-1802040 |
1 |
Шестерня (7,8,25,26) |
|
2022-1802065 |
1 |
Вал (30,32-38) |
|
1 |
1221-1802023 |
1 |
Гайка |
2 |
1221-1802019 |
1 |
Шайба |
3 |
2022-1802024 |
1 |
Кольцо |
4 |
С90 |
1 |
Кольцо |
5 |
50406 |
1 |
Подшипник |
6 |
86-1802043 |
1 |
Шайба |
7 |
206А |
2 |
Подшипник |
8 |
2022-1802041 |
1 |
Шестерня |
9 |
С135 |
1 |
Кольцо ГОСТ 13941 |
10 |
86-1802034 |
1 |
Диск упорный |
11 |
86-1802032* |
3-4 |
Диск ведомый S=1,8 мм |
12 |
1221-1802032* |
3-4 |
Диск ведомый S=2 мм |
13 |
С48 |
1 |
Кольцо |
14 |
86-1802039 |
2 |
Направляющая |
15 |
86-1802048 |
2 |
Пружина |
16 |
1221-1802031 |
1 |
Поршень |
17 |
86-1802047 |
1 |
Кольцо |
18 |
1221-1802036 |
1 |
Барабан |
19 |
86-1802083-А |
2 |
Кольцо |
20 |
1221-1802333 |
1 |
Кольцо |
21 |
86-1802038 |
1 |
Пружина |
22 |
86-1802046 |
1 |
Стакан |
23 |
86-1802035-А |
7 |
Диск ведущий |
24 |
2022-1802044 |
1 |
Втулка |
25 |
С62 |
1 |
Кольцо |
26 |
86-1802049 |
1 |
Кольцо |
27 |
1221-1802025 |
1 |
Обойма |
28 |
86-1802028 |
1 |
Втулка |
29 |
8020-1802026 |
1 |
Полумуфта |
30 |
2022-1802013 |
1 |
Вал |
31 |
86-1802027 |
1 |
Пружина |
32 |
86-1802051 |
1 |
Шайба |
33 |
207 |
1 |
Подшипник |
34 |
86-1802052 |
1 |
Шайба |
35 |
52-2308097 |
1 |
Гайка |
36 |
86-1802014-Б |
1 |
Втулка |
37 |
А.8х40.65Г |
1 |
Штифт |
38 |
1,6-О-С |
1 |
Проволока L=180 мм |
39 |
86-1802017-Б |
1 |
Кольцо |
40 |
1221-1802042 |
1 |
Вал |
41 |
86-1802088 |
1 |
Угольник |
42 |
86-1802055 |
1 |
Трубопровод |
43 |
1221-1802016 |
1 |
Крышка |
44 |
2022-2401515 |
1 |
Штуцер |
45 |
2022-2401530-А |
1 |
Маслопровод |
46 |
RH6101-012/00 GA-AMP или |
1 |
Гидрораспределитель |
1РГЕ-GT/3.574Е.Г12.01 |
1 | Гидрораспределитель | |
47 |
1221-1802091 |
2 |
Пробка резьбовая |
48 |
Д18-055-А |
6 |
Кольцо уплотнительное |
49 |
Д18-051 |
1 |
Болт |
50 |
ШП 5 |
8 |
Шайба |
51 |
М5х50 |
8 |
Винт |
52 |
50-1702048 |
* |
Прокладка |
53 |
ВК12-51 |
1 |
Выключатель |
54 |
1520-1802088 |
1 |
Болт |
55 |
КГ1/8" |
1 |
Пробка |
56 |
1221-1802050 |
1 |
Трубопровод |
57 |
8020-1802018 |
1 |
Направляющая |
58 |
019-022-19-2-2 |
1 |
Кольцо |
59 |
8020-1802029 |
1 |
Толкатель |
60 |
011-016-30-2-4 |
2 |
Кольцо |
61 |
1221-1802054 |
1 |
Втулка |
*Подбор
Рейтинг компании ООО «Агроснабпоставка Плюс»: 4.8 (Голосов: 237)★★★★★